پاسخ : سنسور IR
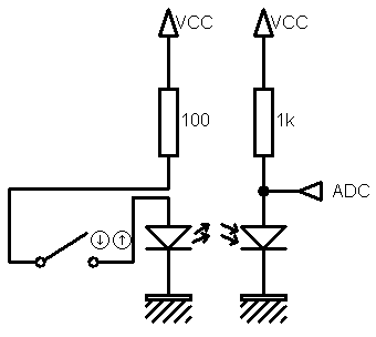
من پروژه ام سنسور تشخیص باران برای ماشین هستش.که عملکردش به صورت عکس زیر هستش،که موقع خشک بودن شیشه تقریبا تمام نور فرستنده برگشت داده میشه،ودرصورت داشتن باران کمتر میشه.

با توجه به مطالبی که گفتم چد تا سوال درمورد مدار شما دارم.
1-با این مدار میشه شدت نور فرستنده رو اندازه گیری کرد؟یا فقط بودن یا نبودن رو تشخیص میده؟
2-در مدار گیرنده،اگه بخوام وصلش کنم به میکرو باید از پایه 3 خروجی بگیرم؟ و مقاومت دیگه لازم نیست؟
3-چون در پروژه من نور باید بازتاب بشه و به گیرنده برسه ، تغییری در مدار بوجود نمیاد؟
4-برنامه ای که نوشتید کامله؟ چون رجیستر های تایمر رو تو فقط main مقداردهی کردید و اینتراپت تایمر نیست.
5-گفتید که با adc کار نکنم،میخواستم بدونم چه جوری بدون ADC میتونم میزان شدت نور رو تشخیص بدم.
-- ببخشید که زیاد پرسیدم ، اگه فقط یه راهنمایی کوچیک هم برای این سوال ها بفرمایید کافیه .
ممنون
نوشته اصلی توسط SAMAN.ASADI

با توجه به مطالبی که گفتم چد تا سوال درمورد مدار شما دارم.
1-با این مدار میشه شدت نور فرستنده رو اندازه گیری کرد؟یا فقط بودن یا نبودن رو تشخیص میده؟
2-در مدار گیرنده،اگه بخوام وصلش کنم به میکرو باید از پایه 3 خروجی بگیرم؟ و مقاومت دیگه لازم نیست؟
3-چون در پروژه من نور باید بازتاب بشه و به گیرنده برسه ، تغییری در مدار بوجود نمیاد؟
4-برنامه ای که نوشتید کامله؟ چون رجیستر های تایمر رو تو فقط main مقداردهی کردید و اینتراپت تایمر نیست.
5-گفتید که با adc کار نکنم،میخواستم بدونم چه جوری بدون ADC میتونم میزان شدت نور رو تشخیص بدم.
-- ببخشید که زیاد پرسیدم ، اگه فقط یه راهنمایی کوچیک هم برای این سوال ها بفرمایید کافیه .
ممنون





)
oo:

دیدگاه