پاسخ : کنترل امپلی فایر با مادون قرمز
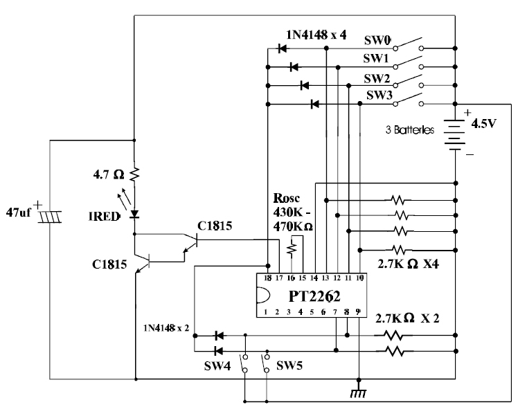
MEBK جان مدار همینیه که سید گذاشته من فقط قسمت گیرنده رو PCBزدم با یه 2253 که اونم هرچی میگردم پیدا نمیکنم .
اما اگر با PCB راحت نیستی بگو تا ردیفش کنم.
MEBK جان مدار همینیه که سید گذاشته من فقط قسمت گیرنده رو PCBزدم با یه 2253 که اونم هرچی میگردم پیدا نمیکنم .
اما اگر با PCB راحت نیستی بگو تا ردیفش کنم.











oo:
دیدگاه