سلام خدمت همه دوستان!
شرمنده از اینکه تاپیک تکراری زدم! مشکلم حل نمیشه.
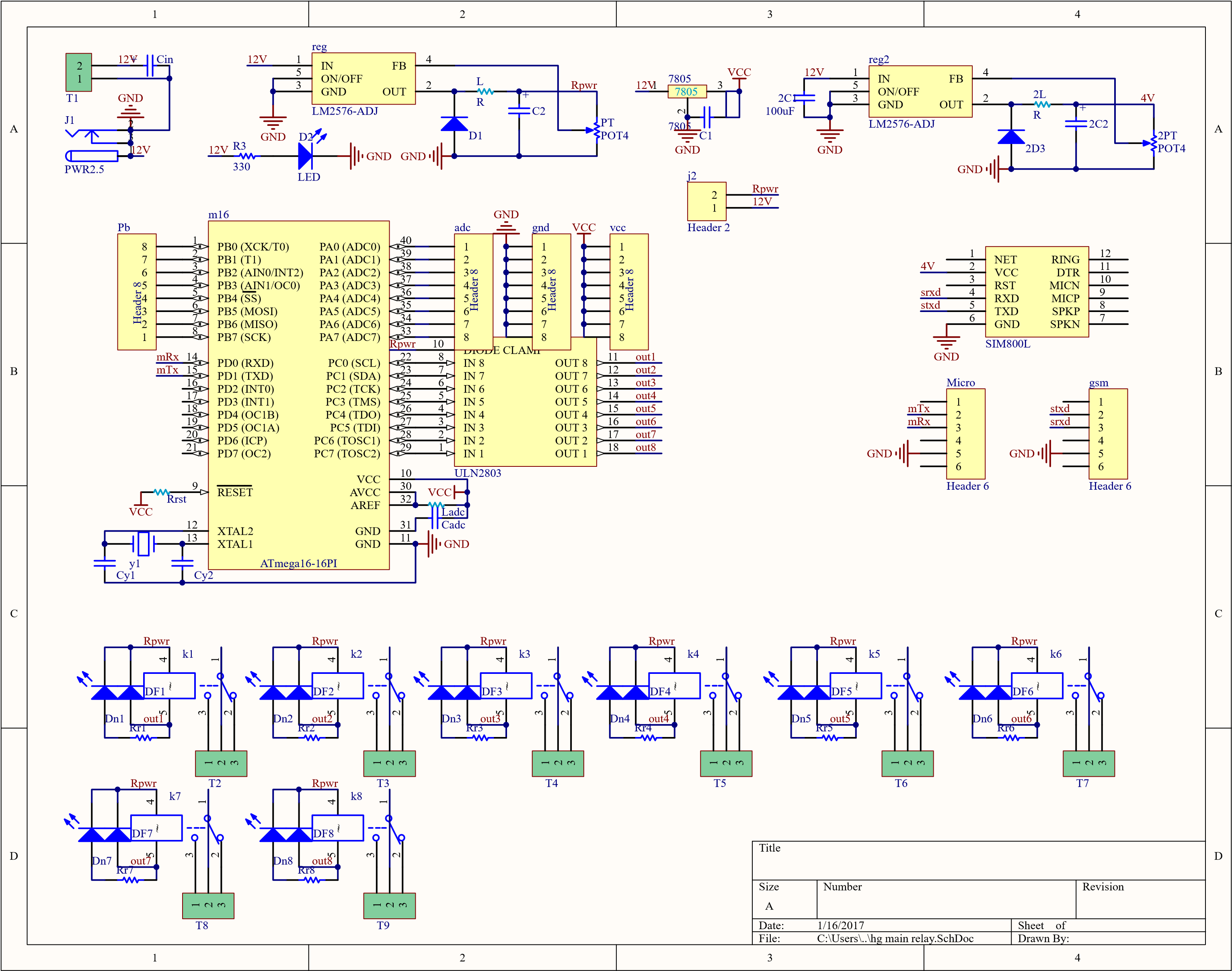
من میخوام با میکرو 8 تا رله را فقط در حد یک تک استارت یا قطع و وصل لحظه ای کنترل کنم.
دستور کنترل این رله ها توسط پورت سریال دریافت میشه به این صورت که مثلا اگه عدد 1 را بفرستم رله شماره 1 یه لحظه قطع و وصل میشه.
رله ها همه 12 ولتی هستند و مستقیما از ورودی مدار تغذیه میکنند.
برق میکرو هم توسط یک 7805 که به ورودی مدار وصل هست تغذیه میشه.
((یک خازن 3300 با ورودی 12 ولتی مدار موازی شده + یک خازن 100UF با خروجی 7805 یا همون تغذیه میکرو موازی شده))
رله ها هم توسط ULN2803 درایو میشه به این صورت که در ورودی های ULN2803 یک مقاومت 10K سری کردم و و خروجی های اون را مستقیما به رله ها وصل کردم.
مدار در حالت عادی خوب جواب میده و مشکلی نداره.
ولی طبق معمول اگه رله ها را زیر بار ببرم(مثلا یکی از رله ها رو سر راه موتور یا حتی کنتاکتور بزارم) مدار بعد از چندبار قطع و وصل کردن میکرو هنگ میکنه و واچ داگ به دادش میرسه.
ورودی 12 ولتی مدار را هنگام کنتاکت رله ها توسط اسکوپ چک کردم و اصن هیچ گونه نویزی نداشت!
ولی خروجی 7805 یا همون تغذیه میکرو به هنگام کنتاکت رله ها به شدت تغییرات ولتاژ داره (اصن یه وضعیه) و از اون جایی که مدار دستوراتش از خط سریال میگیره ، وجود نویز توی تغذیه میکرو باعث میشه یه سری دستورات خونده نشه و رله ها عمل نکنه!
توی نت که فقط نوشته از تغذیه مناسب استفاده کنید!! خوب تغیذیه مناسب باید چطوری باشه؟ یعنی نیاز به فیلتر هست؟
به نظرتون چطوری باید جلوی این نویز ها رو بگیرم.
ممنون میشم راهنمایی کنید.
شرمنده از اینکه تاپیک تکراری زدم! مشکلم حل نمیشه.
من میخوام با میکرو 8 تا رله را فقط در حد یک تک استارت یا قطع و وصل لحظه ای کنترل کنم.
دستور کنترل این رله ها توسط پورت سریال دریافت میشه به این صورت که مثلا اگه عدد 1 را بفرستم رله شماره 1 یه لحظه قطع و وصل میشه.
رله ها همه 12 ولتی هستند و مستقیما از ورودی مدار تغذیه میکنند.
برق میکرو هم توسط یک 7805 که به ورودی مدار وصل هست تغذیه میشه.
((یک خازن 3300 با ورودی 12 ولتی مدار موازی شده + یک خازن 100UF با خروجی 7805 یا همون تغذیه میکرو موازی شده))
رله ها هم توسط ULN2803 درایو میشه به این صورت که در ورودی های ULN2803 یک مقاومت 10K سری کردم و و خروجی های اون را مستقیما به رله ها وصل کردم.
مدار در حالت عادی خوب جواب میده و مشکلی نداره.
ولی طبق معمول اگه رله ها را زیر بار ببرم(مثلا یکی از رله ها رو سر راه موتور یا حتی کنتاکتور بزارم) مدار بعد از چندبار قطع و وصل کردن میکرو هنگ میکنه و واچ داگ به دادش میرسه.
ورودی 12 ولتی مدار را هنگام کنتاکت رله ها توسط اسکوپ چک کردم و اصن هیچ گونه نویزی نداشت!
ولی خروجی 7805 یا همون تغذیه میکرو به هنگام کنتاکت رله ها به شدت تغییرات ولتاژ داره (اصن یه وضعیه) و از اون جایی که مدار دستوراتش از خط سریال میگیره ، وجود نویز توی تغذیه میکرو باعث میشه یه سری دستورات خونده نشه و رله ها عمل نکنه!
توی نت که فقط نوشته از تغذیه مناسب استفاده کنید!! خوب تغیذیه مناسب باید چطوری باشه؟ یعنی نیاز به فیلتر هست؟
به نظرتون چطوری باید جلوی این نویز ها رو بگیرم.
ممنون میشم راهنمایی کنید.











دیدگاه