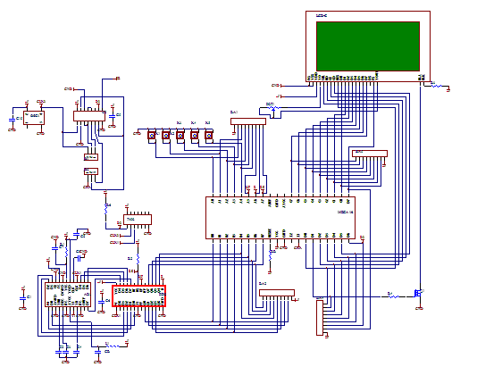
پاسخ : ساخت اسیلوسکوپ
شما با این قطعه امتحان کردین
شما با این قطعه امتحان کردین

.ینی چیزی نداره که بد کار کنه 
oo:
oo:
بین خوندن و نوشتن reset نداریم. اصلا خوندن با نوشتن کاری نداره! کلا reset برا اینه که وقتی کارمون با دیتای تو فیفو تموم شد پوینتر خوندن و نوشتنو بیاریم سر جای اولش
خیلی داری سختش میکنی!
یه کلاک به fifo و adc دادم که کلاً همش در حال نوشتن هستن
(تریگر رو که اضافه کنم ، با اون فعال میشه)
و ... چه کاریه؟! )و میریم مرحله بعد
پس بفرمایید به جای فیفو یه بافر تهیه کنم 

دیدگاه